Wanted  International  Stockist / Distributors
17mm Rot Sw

Alpha Products Inc - 351 Irving Drive, Oxnard, CA 93030, USA - Tel: 805-981-8666 - Fax: 805-988-6555 - Contact Us

Corporate Website

Send Your Specs

Contact Us

Std. Tapers

Request for Quote

Part Number

Model number

# of poles

# of positions

Shaft code

3RS/17

Select Part Numbers from the table then click on the “Request a Quote” Button to send your requirements for Price and Delivery. If you need custom product please use the “Send your Specs” Button

Specifications

Changeover angle

30 deg (one step operating)

Rating

0.3A @16V DC

Timing

Non-shorting

Contact Resistance

50 mOhm max

# of sections

1 section only

Rotational Torque

200 +/-100 gf/cm

Life

10,000 cycles

 

 

# of poles & positions

# of poles

1

2

# of positions

2 ~ 8

2

3

4

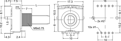
Shaft Codes


CODE

1

2

3

DIM “L”

15

20

25


CODE

A

B

C

DIM “L”

15

20

25

Disclaimer: Alpha Products, Inc. makes no warranties, expressed or implied, including warranties of merchant ability or fitness /suitability for a particular purpose or application. Under no circumstances shall Alpha Products, Inc. be liable for incidental, consequential, or other damages from alleged negligence, breach of warranty, strict liability, tort, contract, or any other theory, arising out of the use, non use, or handling of these products.
Alpha Products Inc. reserves the right to discontinue, modify, amend and / or change any product, specification or service at any time without any obligation of providing any notice.

Site Created by: Tarola International / USA  Hosted by Tarola.Net - Copyright 2006-2014.
Copying or
Duplicating of any part of this website in any form without written permission form Alpha Products Inc. is strictly forbidden