Wanted  International  Stockist / Distributors
11mm Encoder 4

Alpha Products Inc - 351 Irving Drive, Oxnard, CA 93030, USA - Tel: 805-981-8666 - Fax: 805-988-6555 - Contact Us

Corporate Website

Send Your Specs

Contact Us

Std. Tapers

Request for Quote

Part Number

Model number

Bushing

Shaft

Style

Dim “A”

Clicks

3EN/11N

E

D

Select Part Numbers from the table then click on the “Request a Quote” Button to send your requirements for Price and Delivery. If you need custom product please use the “Send your Specs” Button

Electrical Characterisics

Mechanical Characteristics

Rating

10mA @ 5V DC

Total Rotational Angle

360 deg

Withstanding Voltage

300V AC

Push / pull Strength

8 kgf

Insulation Resistance

100MOhm min @300V DC

Click Position

20, 30

Click Torque

51 ~ 194 gf/cm

Life

15,000 cycles

Type Of Shaft

CODE

2

3

4

5

DIM “L”

15.0

20.0

25.0

30.0

DIM “T”

6.0

10.0

10.0

12.0

DIM “M”

1.0

1.0

2.0

4.0

CODE

Q

R

S

T

DIM “L”

15.0

20.0

25.0

30.0

CODE

A

B

C

D

DIM “L”

15.0

20.0

25.0

30.0

DIM “F”

7.0

12.0

12.0

12.0

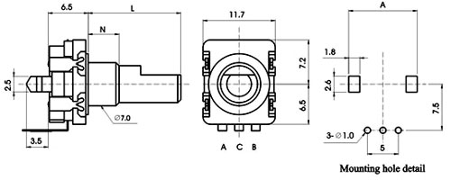
Length of bushing

CODE

4

5

DIM “N”

5.0

7.0

Dimension “A”

CODE

1

2

DIM “A”

11.0

13.2

Disclaimer: Alpha Products, Inc. makes no warranties, expressed or implied, including warranties of merchant ability or fitness /suitability for a particular purpose or application. Under no circumstances shall Alpha Products, Inc. be liable for incidental, consequential, or other damages from alleged negligence, breach of warranty, strict liability, tort, contract, or any other theory, arising out of the use, non use, or handling of these products.
Alpha Products Inc. reserves the right to discontinue, modify, amend and / or change any product, specification or service at any time without any obligation of providing any notice.

Site Created by: Tarola International / USA  Hosted by Tarola.Net - Copyright 2006-2014.
Copying or
Duplicating of any part of this website in any form without written permission form Alpha Products Inc. is strictly forbidden